eMTB / الشحن الإلكتروني

محرك المحور الخلفي من النوع E RF500

تم تصميم محرك المحور الخلفي E-Type RF500 لدراجات E-Cargo وE-MTB، المتوافق مع أنظمة 36 فولت/48 فولت. إنه يوفر قوة مقدرة تبلغ 500-750 واط وأكثر من 75 نيوتن متر من عزم الدوران، ويتعامل مع التضاريس المعقدة والأحمال الثقيلة بسهولة. يدعم المحرك عجلات مقاس 20-28 بوصة، ويزن 4.2 كجم فقط، ويتميز بتسرب 100 مم مع نسبة تروس 5.4. يعمل هذا التصميم على تحسين خرج عزم الدوران، مما يضمن تسارعًا سلسًا عند السرعات المنخفضة وتحسين الكفاءة.

المعلمة الرئيسية
هيكل المحرك: الجهد المقدر (الخامس): الطاقة المقدرة (ث):
محرك محور الدفع الخلفي 36-48 250-500
ذروة عزم الدوران (نيوتن متر): الوزن (كجم): القديم (مم):
75 4.2 135
معلومات تفصيلية
  • محرك المحور الخلفي من النوع E RF500
  • محرك المحور الخلفي من النوع E RF500
Ningbo Yinzhou HENTACH Electromechanical Co., Ltd. Product Parameters Ningbo Yinzhou HENTACH Electromechanical Co., Ltd. Drawing Ningbo Yinzhou HENTACH Electromechanical Co., Ltd. Contact Us

البيانات الأساسية

القوة المقدرة 250-500
الجهد المقنن 36-48
قطر العجلة 20-28
نطاق السرعة 25-38
أقصى عزم الدوران 75
نسبة التروس 5.4
الوزن (كجم) 4.2

معلمات التثبيت

الفرامل قرص الفرامل
كاسيت استشعار عزم الدوران لا
طريق الكابلات المحور المركزي الأيمن
تكلم حفرة 2-18-F3.2
تصنيف للماء IP54 (حتى IP65)
دولاب الموازنة / العجلة المسننة ذبابة دوارة 7 سرعات/كافي (OLD142)
الشهادات توفالو/EN15194/بنفايات

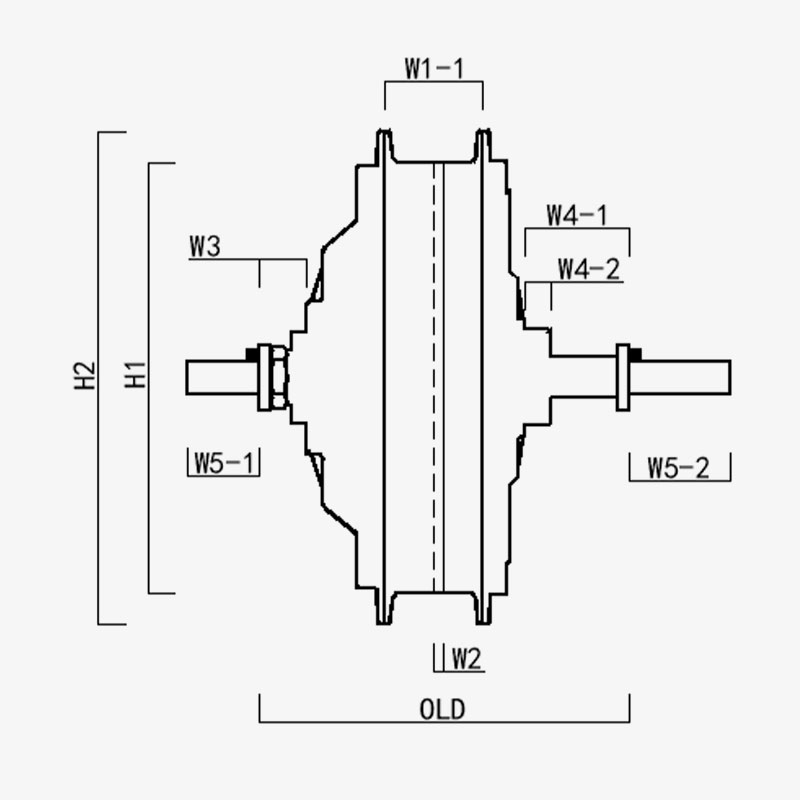
H1/ التطوير التنظيمي: 157
H2/المحرك OD: 180
W1(-1/-2): 36
W2: 3.75
ث3: 15.2
W4(-1/-2): 38/9.5
W5(-1/-2): 26/37
قديم: 135
طول المحور: 198
Ningbo Yinzhou HENTACH Electromechanical Co., Ltd.
اتصل بنا
  • إرسال وإرسال
Ningbo Yinzhou HENTACH Electromechanical Co., Ltd.
ما الذي يميزنا؟
  • محرك محور خلفي قوي، فتحة تروس 135 مم، طاقة مصنفة تصل إلى 500 وات

  • ترس فولاذي بلاستيكي حاصل على براءة اختراع: 5 أضعاف عزم دوران ترس النايلون؛ العمر الافتراضي أكبر من 40.000 كم؛ انخفاض ما بعد البيع

  • عزم دوران يصل إلى 75 نيوتن متر، مصمم خصيصًا لـ eMTB/Cargo.

من نحن؟ أكثر من 20 سنة من تجربة الإنتاج.

Ningbo Yinzhou HENTACH Electromechanical Co., Ltd. (المعروف سابقًا باسم Hengtai Motor) تم تأسيسه في عام 1995 والمعروف سابقًا باسم "Hengtai Motor" (الاسم الصيني لشركتنا)، اعتمدنا رسميًا الاسم الإنجليزي "HENTACH Motor" في عام 2020. يمثل كلا الاسمين نفس الشركة المصنعة الموثوقة المخصصة للابتكار الكهروميكانيكي لأكثر من 30 عامًا. متخصصون في الصب والمعالجة الدقيقة لمحركات التيار المستمر المصغرة، والمحركات المحورية الكهربائية/الدراجات النارية، وسبائك الألومنيوم والمغنيسيوم للسيارات الكهربائية، ونحن نجمع بين نظام صارم لمراقبة الجودة ISO 9001، وممارسات الإدارة الناضجة، ومعدات التصنيع/الاختبار المتطورة لتقديم حلول موثوقة.

بفضل قدراتنا المتكاملة التي تشمل جميع مراحل الإنتاج، بدءًا من صب المواد الخام وصولاً إلى تسليم المنتج النهائي، نخدم أسواقًا متنوعة تشمل الدراجات الكهربائية، ومركبات الشحن، والمركبات الموجهة آليًا، وعربات الجولف، والآلات الزراعية، وسيارات الكارتينج الكهربائية. يضم مجمعنا الذي تزيد مساحته عن 9000 متر مربع (5000 متر مربع مساحة مبنية) أكثر من 60 وحدة من معدات الإنتاج المتطورة، بما في ذلك آلات صب القوالب بقدرة 500 طن، وأدوات آلات CNC الدقيقة، وأنظمة الوسم بالليزر، وخطوط الأكسدة الدقيقة، ومنصتي اختبار مخصصتين لمحركات المركبات الكهربائية. تضمن هذه البنية التحتية كفاءة الإنتاج والامتثال الصارم لمعايير الجودة الدولية.

في HENTACH (Hengtai)، نعطي الأولوية للمواد عالية الجودة والتكنولوجيا الخاصة - تعد معداتنا المصنوعة من النايلون والفولاذ الحاصلة على براءة اختراع بمثابة شهادة على تفوقنا الهندسي. للتحقق من المتانة، أطلقنا ذات مرة برنامج ضمان الأميال للمحركات التي تتجاوز 30000 ميل. النتيجة؟ ولم يحقق أكثر من 50 محركًا هذا المعيار فحسب، بل تجاوزه، حيث وصل بعضها إلى مسافة مثيرة للإعجاب تبلغ 50000 ميل. يعكس هذا الأداء الواقعي تركيزنا الثابت على الموثوقية ويحفزنا على الابتكار المستمر من أجل حلول محركة أكثر ذكاءً وأقوى.​
ثق بالعلامة التجارية المعروفة عالميًا باسم Hengtai Motor وHENTACH Motor - حيث يلتقي ابتكار التروس الفولاذية الحاصل على براءة اختراع مع المتانة المثبتة.

معتمد بواسطة الشهادات