المدن

عجلة موتور مقاس 12 بوصة

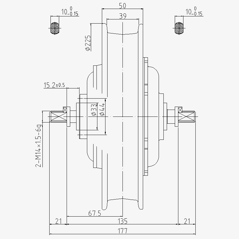
المعلمة الرئيسية
هيكل المحرك: الجهد المقدر (الخامس): الطاقة المقدرة (ث):
/ 36-52 250-350
ذروة عزم الدوران (نيوتن متر): الوزن (كجم): القديم (مم):
45 3.3 /
معلومات تفصيلية
  • عجلة موتور مقاس 12 بوصة
  • عجلة موتور مقاس 12 بوصة
Ningbo Yinzhou HENTACH Electromechanical Co., Ltd. Product Parameters Ningbo Yinzhou HENTACH Electromechanical Co., Ltd. Drawing Ningbo Yinzhou HENTACH Electromechanical Co., Ltd. Contact Us

البيانات الأساسية

القوة المقدرة 250-350
الجهد المقنن 36-52
قطر العجلة 12
نطاق السرعة 25-28
أقصى عزم الدوران 45
نسبة التروس 4.43
الوزن (كجم) 3.3

معلمات التثبيت

الفرامل قرص الفرامل
كاسيت استشعار عزم الدوران /
طريق الكابلات جانب المحور الأيمن
تكلم حفرة /
تصنيف للماء IP65
دولاب الموازنة / العجلة المسننة /
الشهادات توفالو/EN15194/بنفايات

Ningbo Yinzhou HENTACH Electromechanical Co., Ltd.
اتصل بنا
  • إرسال وإرسال
Ningbo Yinzhou HENTACH Electromechanical Co., Ltd.
ما الذي يميزنا؟
  • عجلة من قطعة واحدة مقاس 12 بوصة، تمنع عزم الدوران حتى 45 نيوتن متر.

  • التروس البلاستيكية الحاصلة على براءة اختراع: 5 أضعاف عزم دوران التروس المصنوعة من النايلون؛ عمر أكبر من 40.000 كم؛ انخفاض ما بعد البيع

  • ترس مفتوح مقاس 135 مم، مصمم لسكوتر المدينة الإلكترونية.

من نحن؟ أكثر من 20 سنة من تجربة الإنتاج.

Ningbo Yinzhou HENTACH Electromechanical Co., Ltd. (المعروف سابقًا باسم Hengtai Motor) تم تأسيسه في عام 1995 والمعروف سابقًا باسم "Hengtai Motor" (الاسم الصيني لشركتنا)، اعتمدنا رسميًا الاسم الإنجليزي "HENTACH Motor" في عام 2020. يمثل كلا الاسمين نفس الشركة المصنعة الموثوقة المخصصة للابتكار الكهروميكانيكي لأكثر من 30 عامًا. متخصصون في الصب والمعالجة الدقيقة لمحركات التيار المستمر المصغرة، والمحركات المحورية الكهربائية/الدراجات النارية، وسبائك الألومنيوم والمغنيسيوم للسيارات الكهربائية، ونحن نجمع بين نظام صارم لمراقبة الجودة ISO 9001، وممارسات الإدارة الناضجة، ومعدات التصنيع/الاختبار المتطورة لتقديم حلول موثوقة.

بفضل قدراتنا المتكاملة التي تشمل جميع مراحل الإنتاج، بدءًا من صب المواد الخام وصولاً إلى تسليم المنتج النهائي، نخدم أسواقًا متنوعة تشمل الدراجات الكهربائية، ومركبات الشحن، والمركبات الموجهة آليًا، وعربات الجولف، والآلات الزراعية، وسيارات الكارتينج الكهربائية. يضم مجمعنا الذي تزيد مساحته عن 9000 متر مربع (5000 متر مربع مساحة مبنية) أكثر من 60 وحدة من معدات الإنتاج المتطورة، بما في ذلك آلات صب القوالب بقدرة 500 طن، وأدوات آلات CNC الدقيقة، وأنظمة الوسم بالليزر، وخطوط الأكسدة الدقيقة، ومنصتي اختبار مخصصتين لمحركات المركبات الكهربائية. تضمن هذه البنية التحتية كفاءة الإنتاج والامتثال الصارم لمعايير الجودة الدولية.

في HENTACH (Hengtai)، نعطي الأولوية للمواد عالية الجودة والتكنولوجيا الخاصة - تعد معداتنا المصنوعة من النايلون والفولاذ الحاصلة على براءة اختراع بمثابة شهادة على تفوقنا الهندسي. للتحقق من المتانة، أطلقنا ذات مرة برنامج ضمان الأميال للمحركات التي تتجاوز 30000 ميل. النتيجة؟ ولم يحقق أكثر من 50 محركًا هذا المعيار فحسب، بل تجاوزه، حيث وصل بعضها إلى مسافة مثيرة للإعجاب تبلغ 50000 ميل. يعكس هذا الأداء الواقعي تركيزنا الثابت على الموثوقية ويحفزنا على الابتكار المستمر من أجل حلول محركة أكثر ذكاءً وأقوى.​
ثق بالعلامة التجارية المعروفة عالميًا باسم Hengtai Motor وHENTACH Motor - حيث يلتقي ابتكار التروس الفولاذية الحاصل على براءة اختراع مع المتانة المثبتة.

معتمد بواسطة الشهادات