الدهون الإلكترونية/البضائع الإلكترونية

محرك المحور الخلفي S-Type Pro RF

تم تصميم محرك المحور الخلفي S-Type Pro RF (العجلة الحرة) لدراجات E-Cargo وE-Fat، مما يوفر طاقة مقدرة تتراوح من 750 وات إلى 1500 وات. تتميز بعجلة حرة ذات 7 سرعات، وقطر 175 ملم، وعزم دوران يصل إلى 145 نيوتن متر. يوفر هذا المحرك قوة جر قوية في الظروف منخفضة السرعة، مما يضمن قدرة تسلق مستقرة على المنحدرات الشديدة والرمال الناعمة ويحل بشكل فعال أوجه القصور في الطاقة في ظل ظروف التحميل العالي. مجهزة بتروس HENTACH البلاستيكية الفولاذية الحاصلة على براءة اختراع، فهي توفر 5 أضعاف قدرة عزم دوران تروس النايلون التقليدية، وتدوم أكثر من 40,000 كم وتقلل بشكل كبير من تكاليف الصيانة. في تطبيقات الدراجة الإلكترونية التي تزيد قوتها عن 1000 واط، فإن التروس البلاستيكية والفولاذية من Hengtai هي وحدها القادرة على تحمل عزم الدوران المستمر الذي يزيد عن 100 نيوتن متر.

المعلمة الرئيسية
هيكل المحرك: الجهد المقدر (الخامس): الطاقة المقدرة (ث):
/ 36-60 600-1500
ذروة عزم الدوران (نيوتن متر): الوزن (كجم): القديم (مم):
145 5.8 175
معلومات تفصيلية
  • محرك المحور الخلفي S-Type Pro RF
  • محرك المحور الخلفي S-Type Pro RF
Ningbo Yinzhou HENTACH Electromechanical Co., Ltd. Product Parameters Ningbo Yinzhou HENTACH Electromechanical Co., Ltd. Drawing Ningbo Yinzhou HENTACH Electromechanical Co., Ltd. Contact Us

البيانات الأساسية

القوة المقدرة 600-1500
الجهد المقنن 36-60
قطر العجلة 20-26
نطاق السرعة 35-65
أقصى عزم الدوران 145
نسبة التروس 5
الوزن (كجم) 5.8

معلمات التثبيت

الفرامل قرص الفرامل
كاسيت استشعار عزم الدوران لا
طريق الكابلات المحور الجانبي الأيسر
تكلم حفرة 2-18-F3.2
تصنيف للماء IP54 (حتى IP65)
دولاب الموازنة / العجلة المسننة سرعة الدوران سبع سرعات
الشهادات توفالو/EN15194/بنفايات

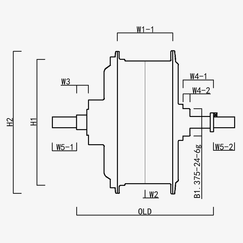
H1/ التطوير التنظيمي: 162
H2/المحرك OD: 183
W1(-1/-2): 70.8
W2: 0
ث3: 15.2
W4(-1/-2): 39/9
W5(-1/-2): 31/27
قديم: 175
طول المحور: 233
Ningbo Yinzhou HENTACH Electromechanical Co., Ltd.
اتصل بنا
  • إرسال وإرسال
Ningbo Yinzhou HENTACH Electromechanical Co., Ltd.
ما الذي يميزنا؟
  • محرك محور دفع خلفي قوي مع تروس مفتوحة مقاس 175 مم، يصل تصنيفها إلى 1500 وات.

  • التروس البلاستيكية الحاصلة على براءة اختراع: 5 أضعاف عزم دوران التروس المصنوعة من النايلون؛ عمر أكبر من 40.000 كم؛ انخفاض ما بعد البيع

  • عزم دوران يصل إلى 145 نيوتن متر أو أكثر، مصمم لـ efat/Cargo.

من نحن؟ أكثر من 20 سنة من تجربة الإنتاج.

Ningbo Yinzhou HENTACH Electromechanical Co., Ltd. (المعروف سابقًا باسم Hengtai Motor) تم تأسيسه في عام 1995 والمعروف سابقًا باسم "Hengtai Motor" (الاسم الصيني لشركتنا)، اعتمدنا رسميًا الاسم الإنجليزي "HENTACH Motor" في عام 2020. يمثل كلا الاسمين نفس الشركة المصنعة الموثوقة المخصصة للابتكار الكهروميكانيكي لأكثر من 30 عامًا. متخصصون في الصب والمعالجة الدقيقة لمحركات التيار المستمر المصغرة، والمحركات المحورية الكهربائية/الدراجات النارية، وسبائك الألومنيوم والمغنيسيوم للسيارات الكهربائية، ونحن نجمع بين نظام صارم لمراقبة الجودة ISO 9001، وممارسات الإدارة الناضجة، ومعدات التصنيع/الاختبار المتطورة لتقديم حلول موثوقة.

بفضل قدراتنا المتكاملة التي تشمل جميع مراحل الإنتاج، بدءًا من صب المواد الخام وصولاً إلى تسليم المنتج النهائي، نخدم أسواقًا متنوعة تشمل الدراجات الكهربائية، ومركبات الشحن، والمركبات الموجهة آليًا، وعربات الجولف، والآلات الزراعية، وسيارات الكارتينج الكهربائية. يضم مجمعنا الذي تزيد مساحته عن 9000 متر مربع (5000 متر مربع مساحة مبنية) أكثر من 60 وحدة من معدات الإنتاج المتطورة، بما في ذلك آلات صب القوالب بقدرة 500 طن، وأدوات آلات CNC الدقيقة، وأنظمة الوسم بالليزر، وخطوط الأكسدة الدقيقة، ومنصتي اختبار مخصصتين لمحركات المركبات الكهربائية. تضمن هذه البنية التحتية كفاءة الإنتاج والامتثال الصارم لمعايير الجودة الدولية.

في HENTACH (Hengtai)، نعطي الأولوية للمواد عالية الجودة والتكنولوجيا الخاصة - تعد معداتنا المصنوعة من النايلون والفولاذ الحاصلة على براءة اختراع بمثابة شهادة على تفوقنا الهندسي. للتحقق من المتانة، أطلقنا ذات مرة برنامج ضمان الأميال للمحركات التي تتجاوز 30000 ميل. النتيجة؟ ولم يحقق أكثر من 50 محركًا هذا المعيار فحسب، بل تجاوزه، حيث وصل بعضها إلى مسافة مثيرة للإعجاب تبلغ 50000 ميل. يعكس هذا الأداء الواقعي تركيزنا الثابت على الموثوقية ويحفزنا على الابتكار المستمر من أجل حلول محركة أكثر ذكاءً وأقوى.​
ثق بالعلامة التجارية المعروفة عالميًا باسم Hengtai Motor وHENTACH Motor - حيث يلتقي ابتكار التروس الفولاذية الحاصل على براءة اختراع مع المتانة المثبتة.

معتمد بواسطة الشهادات