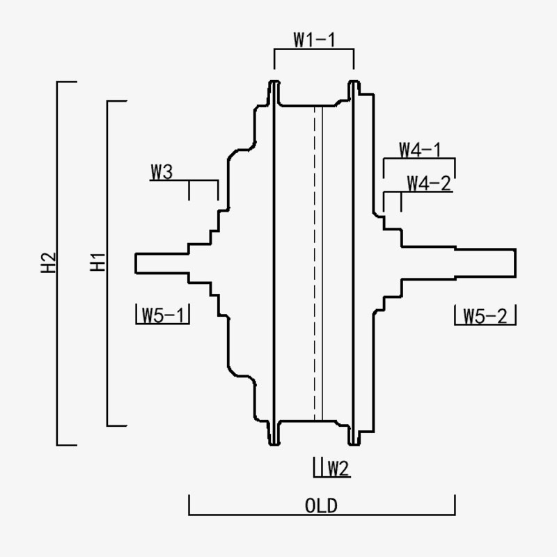
محرك محور خلفي قوي، مع دولاب موازنة دوار 7 سرعات، وفتحة تروس 135 مم، وقدرة أعلى على التكيف، وقوة مصنفة تصل إلى 750 وات.
-
-
ترس فولاذي بلاستيكي حاصل على براءة اختراع: 5 أضعاف عزم دوران ترس النايلون؛ مدى الحياة أكبر من 40.000 كيلومتر؛ انخفاض ما بعد البيع
-
عزم دوران يصل إلى 85 نيوتن متر، مصمم خصيصًا لـ eMTB/Cargo.










