الشحن الإلكتروني

محرك المحور الخلفي P-Type R500

يتميز محرك المحور الخلفي للدراجة P-Type R500 E-Cargo المصمم خصيصًا لتطبيقات الشحن، بقدرة مقدرة تبلغ 500 واط، مما يوفر طاقة قوية ومستقرة للتحميل الثقيل والنقل لمسافات طويلة. فهو يضمن أداءً فعالاً ومستقرًا في الظروف الحضرية المعقدة، أو على المنحدرات، أو عند التحميل الكامل، مما يعزز كفاءة الشحن بشكل كبير. بالإضافة إلى ذلك، فهو يقلل من استهلاك الطاقة على الأراضي المسطحة وبسرعات أعلى، مما يحسن كفاءة ركوب الدراجات بشكل عام.

المعلمة الرئيسية
هيكل المحرك: الجهد المقدر (الخامس): الطاقة المقدرة (ث):
محرك محور الدفع الخلفي 36-48 350-500
ذروة عزم الدوران (نيوتن متر): الوزن (كجم): القديم (مم):
50 3.85 160
معلومات تفصيلية
  • محرك المحور الخلفي P-Type R500
  • محرك المحور الخلفي P-Type R500
Ningbo Yinzhou HENTACH Electromechanical Co., Ltd. Product Parameters Ningbo Yinzhou HENTACH Electromechanical Co., Ltd. Drawing Ningbo Yinzhou HENTACH Electromechanical Co., Ltd. Contact Us

البيانات الأساسية

القوة المقدرة 350-500
الجهد المقنن 36-48
قطر العجلة 20-26
نطاق السرعة 25-35
أقصى عزم الدوران 50
نسبة التروس 5
الوزن (كجم) 3.85

معلمات التثبيت

الفرامل قرص الفرامل
كاسيت استشعار عزم الدوران لا
طريق الكابلات المحور المركزي الأيسر
تكلم حفرة 2-18-F3.2
تصنيف للماء IP54 (حتى IP65)
دولاب الموازنة / العجلة المسننة دوارة 7 سرعات
الشهادات توفالو/EN15194/بنفايات

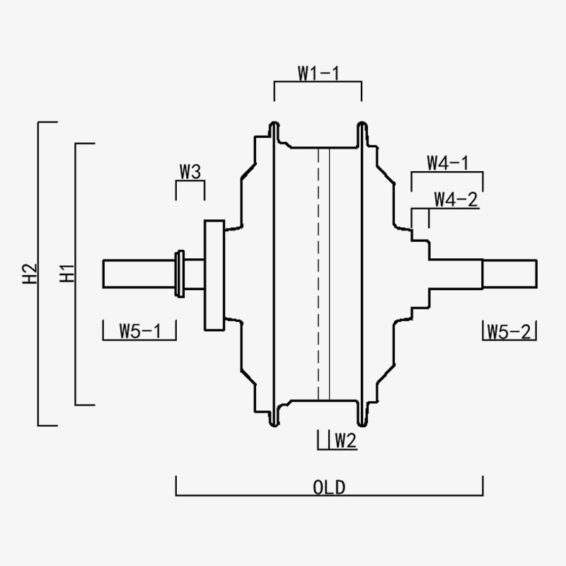
H1/ التطوير التنظيمي: 136.5
H2/المحرك OD: 158.5
W1(-1/-2): 45.5
W2: 6
ث3: 15
W4(-1/-2): 37/9
W5(-1/-2): 38/28
قديم: 160
طول المحور: 226
Ningbo Yinzhou HENTACH Electromechanical Co., Ltd.
اتصل بنا
  • إرسال وإرسال
Ningbo Yinzhou HENTACH Electromechanical Co., Ltd.
ما الذي يميزنا؟
  • محرك محوري قوي للدفع الخلفي مصمم خصيصًا للدراجات ذات الإطارات الدهنية المدعومة بالكهرباء، مع دولاب الموازنة الدوارة بـ 7 سرعات، وفتحة تروس 160 مم، وقوة مصنفة تصل إلى 500 وات.

  • تروس فولاذية بلاستيكية حاصلة على براءة اختراع: 5 أضعاف عزم دوران تروس النايلون؛ مدى الحياة أكبر من 40.000 كيلومتر؛ انخفاض ما بعد البيع

  • عزم دوران يزيد عن 50 نيوتن متر، مصمم خصيصًا للشحن الإلكتروني.

من نحن؟ أكثر من 20 سنة من تجربة الإنتاج.

Ningbo Yinzhou HENTACH Electromechanical Co., Ltd. (المعروف سابقًا باسم Hengtai Motor) تم تأسيسه في عام 1995 والمعروف سابقًا باسم "Hengtai Motor" (الاسم الصيني لشركتنا)، اعتمدنا رسميًا الاسم الإنجليزي "HENTACH Motor" في عام 2020. يمثل كلا الاسمين نفس الشركة المصنعة الموثوقة المخصصة للابتكار الكهروميكانيكي لأكثر من 30 عامًا. متخصصون في الصب والمعالجة الدقيقة لمحركات التيار المستمر المصغرة، والمحركات المحورية الكهربائية/الدراجات النارية، وسبائك الألومنيوم والمغنيسيوم للسيارات الكهربائية، ونحن نجمع بين نظام صارم لمراقبة الجودة ISO 9001، وممارسات الإدارة الناضجة، ومعدات التصنيع/الاختبار المتطورة لتقديم حلول موثوقة.

بفضل قدراتنا المتكاملة التي تشمل جميع مراحل الإنتاج، بدءًا من صب المواد الخام وصولاً إلى تسليم المنتج النهائي، نخدم أسواقًا متنوعة تشمل الدراجات الكهربائية، ومركبات الشحن، والمركبات الموجهة آليًا، وعربات الجولف، والآلات الزراعية، وسيارات الكارتينج الكهربائية. يضم مجمعنا الذي تزيد مساحته عن 9000 متر مربع (5000 متر مربع مساحة مبنية) أكثر من 60 وحدة من معدات الإنتاج المتطورة، بما في ذلك آلات صب القوالب بقدرة 500 طن، وأدوات آلات CNC الدقيقة، وأنظمة الوسم بالليزر، وخطوط الأكسدة الدقيقة، ومنصتي اختبار مخصصتين لمحركات المركبات الكهربائية. تضمن هذه البنية التحتية كفاءة الإنتاج والامتثال الصارم لمعايير الجودة الدولية.

في HENTACH (Hengtai)، نعطي الأولوية للمواد عالية الجودة والتكنولوجيا الخاصة - تعد معداتنا المصنوعة من النايلون والفولاذ الحاصلة على براءة اختراع بمثابة شهادة على تفوقنا الهندسي. للتحقق من المتانة، أطلقنا ذات مرة برنامج ضمان الأميال للمحركات التي تتجاوز 30000 ميل. النتيجة؟ ولم يحقق أكثر من 50 محركًا هذا المعيار فحسب، بل تجاوزه، حيث وصل بعضها إلى مسافة مثيرة للإعجاب تبلغ 50000 ميل. يعكس هذا الأداء الواقعي تركيزنا الثابت على الموثوقية ويحفزنا على الابتكار المستمر من أجل حلول محركة أكثر ذكاءً وأقوى.​
ثق بالعلامة التجارية المعروفة عالميًا باسم Hengtai Motor وHENTACH Motor - حيث يلتقي ابتكار التروس الفولاذية الحاصل على براءة اختراع مع المتانة المثبتة.

معتمد بواسطة الشهادات