الطريق الإلكتروني / المدينة الإلكترونية

محرك المحور الخلفي للكاسيت HT MINI

تم تصميم محرك محور الكاسيت ذو السرعة HT MINI 8-10 لدراجات المدن الإلكترونية والطرق، مما يجعله واحدًا من أصغر محركات المحور الدوار الخارجية في السوق. إنه يتميز بتصميم مدمج وخفيف الوزن يزن 1.95 كجم فقط، مع قوة مقدرة تبلغ 220 واط وأكثر من 30 نيوتن متر من عزم الدوران، كما أن كاسيت مستشعر عزم الدوران متوفر. يمكن أن يصل المحرك إلى 250 واط مع عزم دوران ثابت يبلغ 40 نيوتن متر. يقلل تصميم الدوار الخارجي من الأخطاء التراكمية، مما يعزز المتانة والاستقرار.

المعلمة الرئيسية
هيكل المحرك: الجهد المقدر (الخامس): الطاقة المقدرة (ث):
محرك المحور الخارجي 36-48 180-250
ذروة عزم الدوران (نيوتن متر): الوزن (كجم): القديم (مم):
40 2.18(220 واط) 142
معلومات تفصيلية
  • محرك المحور الخلفي للكاسيت HT MINI
  • محرك المحور الخلفي للكاسيت HT MINI
Ningbo Yinzhou HENTACH Electromechanical Co., Ltd. Product Parameters Ningbo Yinzhou HENTACH Electromechanical Co., Ltd. Drawing Ningbo Yinzhou HENTACH Electromechanical Co., Ltd. Contact Us

البيانات الأساسية

القوة المقدرة 180-250
الجهد المقنن 36-48
قطر العجلة 20-28
نطاق السرعة 25-38
أقصى عزم الدوران 40
نسبة التروس 5
الوزن (كجم) 2.18 (220 واط)

معلمات التثبيت

الفرامل قرص الفرامل
كاسيت استشعار عزم الدوران نعم
طريق الكابلات المحور المركزي الأيمن
تكلم حفرة 2-18-F3.2
تصنيف للماء IP54 (حتى IP65)
دولاب الموازنة / العجلة المسننة كافي 7-10 السرعة
الشهادات توفالو/EN15194/بنفايات

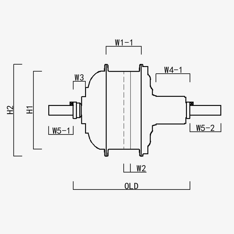
H1/ التطوير التنظيمي: 95.5
H2/المحرك OD: 112.5
W1(-1/-2): 43
W2: 8
ث3: 15
W4(-1/-2): 42.5
W5(-1/-2): 30/39
قديم: 142
طول المحور: 211
Ningbo Yinzhou HENTACH Electromechanical Co., Ltd.
اتصل بنا
  • إرسال وإرسال
Ningbo Yinzhou HENTACH Electromechanical Co., Ltd.
ما الذي يميزنا؟
  • يبلغ قطر المحرك الخارجي 95 ملم، مع دولاب الموازنة ذو 10 سرعات، ويزن 2.15 كجم فقط، ومحرك دوار خارجي خفيف للغاية، وعزم دوران يصل إلى 40 نيوتن متر. شريك الدراجة الإلكترونية.

  • تروس فولاذية بلاستيكية حاصلة على براءة اختراع: 5 أضعاف عزم دوران تروس النايلون؛ مدى الحياة أكبر من 40.000 كيلومتر؛ انخفاض ما بعد البيع

  • المحرك الدوار الخارجي: هيكل أكثر استقرارًا من الدوار الداخلي، ومعدل فشل أقل

من نحن؟ أكثر من 20 سنة من تجربة الإنتاج.

Ningbo Yinzhou HENTACH Electromechanical Co., Ltd. (المعروف سابقًا باسم Hengtai Motor) تم تأسيسه في عام 1995 والمعروف سابقًا باسم "Hengtai Motor" (الاسم الصيني لشركتنا)، اعتمدنا رسميًا الاسم الإنجليزي "HENTACH Motor" في عام 2020. يمثل كلا الاسمين نفس الشركة المصنعة الموثوقة المخصصة للابتكار الكهروميكانيكي لأكثر من 30 عامًا. متخصصون في الصب والمعالجة الدقيقة لمحركات التيار المستمر المصغرة، والمحركات المحورية الكهربائية/الدراجات النارية، وسبائك الألومنيوم والمغنيسيوم للسيارات الكهربائية، ونحن نجمع بين نظام صارم لمراقبة الجودة ISO 9001، وممارسات الإدارة الناضجة، ومعدات التصنيع/الاختبار المتطورة لتقديم حلول موثوقة.

بفضل قدراتنا المتكاملة التي تشمل جميع مراحل الإنتاج، بدءًا من صب المواد الخام وصولاً إلى تسليم المنتج النهائي، نخدم أسواقًا متنوعة تشمل الدراجات الكهربائية، ومركبات الشحن، والمركبات الموجهة آليًا، وعربات الجولف، والآلات الزراعية، وسيارات الكارتينج الكهربائية. يضم مجمعنا الذي تزيد مساحته عن 9000 متر مربع (5000 متر مربع مساحة مبنية) أكثر من 60 وحدة من معدات الإنتاج المتطورة، بما في ذلك آلات صب القوالب بقدرة 500 طن، وأدوات آلات CNC الدقيقة، وأنظمة الوسم بالليزر، وخطوط الأكسدة الدقيقة، ومنصتي اختبار مخصصتين لمحركات المركبات الكهربائية. تضمن هذه البنية التحتية كفاءة الإنتاج والامتثال الصارم لمعايير الجودة الدولية.

في HENTACH (Hengtai)، نعطي الأولوية للمواد عالية الجودة والتكنولوجيا الخاصة - تعد معداتنا المصنوعة من النايلون والفولاذ الحاصلة على براءة اختراع بمثابة شهادة على تفوقنا الهندسي. للتحقق من المتانة، أطلقنا ذات مرة برنامج ضمان الأميال للمحركات التي تتجاوز 30000 ميل. النتيجة؟ ولم يحقق أكثر من 50 محركًا هذا المعيار فحسب، بل تجاوزه، حيث وصل بعضها إلى مسافة مثيرة للإعجاب تبلغ 50000 ميل. يعكس هذا الأداء الواقعي تركيزنا الثابت على الموثوقية ويحفزنا على الابتكار المستمر من أجل حلول محركة أكثر ذكاءً وأقوى.​
ثق بالعلامة التجارية المعروفة عالميًا باسم Hengtai Motor وHENTACH Motor - حيث يلتقي ابتكار التروس الفولاذية الحاصل على براءة اختراع مع المتانة المثبتة.

معتمد بواسطة الشهادات